点击下方品牌名字,获取更多技术资料
##
####
一、中央空调水系统工作流程
空调水系统作为中央空调系统的关键组成部分,承担着热量传递与交换的重要任务,其运行状态直接影响着空调系统的整体性能与使用效果。空调水系统主要包括冷却水系统(涵盖冷却水管、泵、冷却塔、冷凝器、阀门等部件)、冷冻水系统(包含冷冻水管、泵、末端、阀门、保温、膨胀水箱等组件)以及冷凝水系统。
冷媒水系统(空调水系统):这是实现空调房间热量交换的核心系统,通过冷媒水的循环流动,将冷量或热量输送到各个空调末端设备,以满足室内环境的需求。
冷却水系统:主要用于冷却冷水机组中的冷凝器,将冷凝器中释放的热量通过冷却塔散发到大气中,确保冷水机组能够持续稳定地运行。
冷凝水系统:在空调设备运行过程中,当空气中的水蒸气遇冷凝结成水滴时,冷凝水系统负责将这些冷凝水及时排出,防止对空调设备和室内环境造成不良影响。


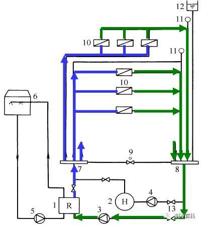
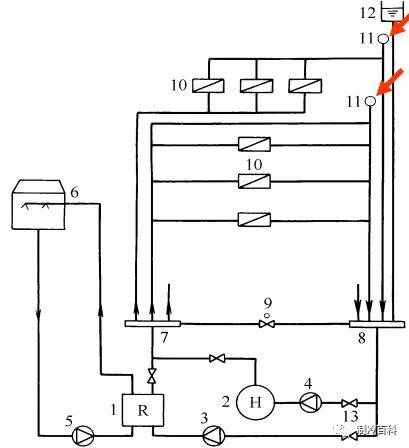
以下结合相关设备图示进行详细说明,图中设备包括:1 - 水冷冷水机组;2 - 锅炉;3 - 冷冻水泵;4 - 热水泵;5 - 冷却水泵;6 - 冷却塔;7 - 分水器;8 - 集水器;9 - 压差控制阀;10 - 空调设备;11 - 自动排气阀;12 - 膨胀水箱;13 - 阀门。
夏季供冷工况
在夏季,空调系统的主要任务是为室内提供冷量,降低室内温度。此时,水冷冷水机组 1 开始运行,制出温度为 7℃的冷冻水。在冷冻水泵 3 的作用下,低温冷冻水被输送至分水器 7。分水器如同一个“分配中心”,将冷冻水通过各供水支管均匀地送至各个空调房间或区域的空调设备 10。

当冷冻水流入空调设备后,与室内空气进行热湿交换。在这个过程中,冷冻水吸收空气中的热量,水温逐渐升高至 12℃。随后,升温后的冷冻水分别由各回水支管流回至集水器 8。集水器起到“收集”作用,将回水汇总后,再将其送回至冷水机组 1。在冷水机组中,回水再次被降温处理至 7℃,然后重新进入下一个循环,如此反复,持续为室内提供冷量。
冬季供暖工况
冬季来临,空调系统转变为供暖模式,为室内提供热量。此时,锅炉 2 开始工作,制出温度为 60℃的热水。在热水泵 4 的作用下,高温热水被输送至分水器 7。热水按照与夏季供冷时相同的供水路线进行循环,即通过分水器分配至各空调设备,与室内空气进行热交换后,水温降低,再经回水支管流回集水器,最后返回至锅炉 2 重新被加热处理,如此循环往复,为室内提供温暖舒适的环境。
夏季供冷和冬季供暖模式的转换,是通过操作冷水机组和锅炉进出水管上的阀门来实现的。通过开启或关闭相应的阀门,可以控制水流的走向,从而实现不同工况的切换。相关阀门操作示意图如下:

膨胀水箱 12 在空调水系统中起着至关重要的作用。当系统中的水被加热时,水的体积会因热膨胀而增大。膨胀水箱的主要作用就是收集这部分因体积膨胀而多出的水量,防止系统压力过高导致管道、设备等损坏,避免出现漏水现象。此外,膨胀水箱还具备补水和定压的功能。在系统运行过程中,由于水的蒸发、泄漏等原因,系统中的水量会逐渐减少。

自动排气阀的设置
在水系统中,管道的高处容易积聚空气。当管道内存有空气时,会形成所谓的“气堵”现象。“气堵”会阻碍水的正常流动,导致系统水流不畅,影响空调设备的换热效果,降低系统的运行效率,甚至可能引发设备故障。为了解决这一问题,图中设置了自动排气阀 11。自动排气阀能够自动感知管道内的空气,并在空气积聚到一定程度时自动打开,将系统内的空气及时排出,保证系统内水的流畅循环。自动排气阀工作示意图如下:

水系统中阀门的作用
水系统中设置的阀门具有多种重要作用,主要包括调节作用和关断作用。
调节作用:通过调节阀门的开度,可以精确控制管道中的水流量。在实际运行中,根据空调系统的负荷变化以及不同区域的需求差异,合理调节阀门开度,能够实现水量的合理分配,提高系统的运行效率,达到节能的目的。
关断作用:当需要对系统进行检修、维护或更换设备时,关闭阀门可以中止水的流动,将需要操作的区域与系统其他部分隔离,确保检修工作的安全进行,同时避免对系统其他部分造成影响。
水系统中必要仪表和装置的设置
为了确保空调水系统能够安全、稳定、高效地运行,水系统中还需要设置一系列必要的仪表和装置:
测温装置:在空调设备的进、出水口设置测温装置,能够实时检测设备与水之间的换热效果。通过监测进出水温度差,可以判断空调设备的运行状态是否正常,是否需要进行调整或维护。同时,这些温度数据也为系统的优化运行提供了重要依据。
测压装置:在主要设备的进、出水口设置测压装置,可以准确了解设备的水流阻力情况。通过监测压力变化,能够及时发现设备是否存在堵塞、泄漏等故障,以便及时采取措施进行维修,确保设备的正常运行。
水过滤装置:水过滤装置能够有效过滤水中的杂质,保证水质的清洁,保护设备免受损坏,延长设备的使用寿命。

二、空调水系统的形式
空调水系统的核心功能是输送冷热量,以满足空调设备处理空气的需求。由于分类方式的不同,空调水系统呈现出多种类型,常见的有以下几种:
★闭式系统和开式系统
闭式系统:闭式系统中的水在封闭的管道中循环流动,与外界空气隔绝。这种系统的优点是水质不易受到污染,管道和设备的腐蚀程度较轻,系统的使用寿命较长。同时,由于水不与外界空气接触,减少了蒸发损失,水的消耗量较小。此外,闭式系统不需要设置开式水箱,节省了空间和设备投资。
开式系统:开式系统的水箱与大气相通,水在循环过程中与外界空气充分接触。这种系统的优点是水箱的设置较为简单,能够自然补偿系统水的膨胀量,不需要复杂的膨胀装置。
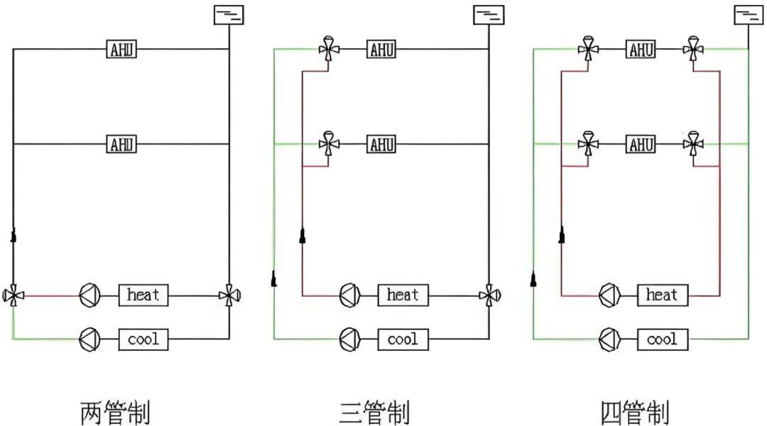
★两管制系统、三管制系统和四管制系统
两管制系统:两管制系统是最常见的一种空调水系统形式,它通过一套管路系统实现夏季供冷和冬季供暖的切换。在夏季,系统输送冷冻水,为室内提供冷量;在冬季,系统输送热水,为室内提供热量。两管制系统的优点是结构简单,管道布置方便,投资成本较低。但是,它无法同时满足建筑物内不同区域对冷量和热量的不同需求。

三管制系统:三管制系统分别设置冷水管和热水管,同时还有一根公共管。通过阀门的控制,可以实现部分区域供冷、部分区域供暖的功能。
四管制系统:四管制系统具有独立的冷水管和热水管系统,能够同时为不同区域提供冷量和热量,满足建筑物内各个区域对室内环境的不同要求。
★同程式系统和异程式系统
同程式系统:同程式系统中,各并联环路的管路长度基本相等,水流经过每个环路的阻力损失大致相同。这种系统的优点是水力平衡性好,各空调设备的水流量分配均匀,能够保证各个区域的空调效果一致。
异程式系统:异程式系统中,各并联环路的管路长度不相等,水流经过不同环路的阻力损失存在差异。这种系统的优点是管道布置简单,管材消耗较少,投资成本较低。
★定流量系统和变流量系统
定流量系统:定流量系统中,水泵的流量保持不变,通过调节空调设备的风量或水量来满足室内负荷的变化。这种系统的优点是控制简单,运行稳定,设备可靠性高。
变流量系统:变流量系统能够根据室内负荷的变化自动调节水泵的流量,使系统的流量与负荷相匹配。当室内负荷降低时,水泵流量相应减小,从而降低水泵的能耗,提高系统的运行效率。
★一次泵系统、二次泵系统和混合式系统
一次泵系统:一次泵系统中,冷水机组、锅炉等冷热源设备与空调设备之间通过一台水泵直接连接,水泵负责将冷热源设备制出的冷热水输送到空调设备。
二次泵系统:二次泵系统将冷热源侧和负荷侧分开,设置一次泵和二次泵。一次泵负责将冷热水在冷热源设备和换热器之间循环,保证冷热源设备的正常运行;二次泵则根据空调负荷的变化,将冷热水输送到各个空调设备。
混合式系统:混合式系统结合了一次泵系统和二次泵系统的特点,根据系统的实际情况,在某些区域采用一次泵系统,在另一些区域采用二次泵系统。这种系统能够充分发挥两种系统的优势,在满足系统运行要求的同时,降低投资成本和运行费用。
上一篇:【河南】网传某连锁店突然关门 会员费和很多名牌鞋被卷走 招商电话是空号
下一篇:【#王毅同美国国务卿鲁比奥通电话】10月27日,中共中央政治局委员、外交部长王毅同美国国务卿鲁比奥通电话。(新华社)